Garden Solar Lights Circuit
Education of electronic: solar garden lights circuit 18 diy solar light circuit ideas Garden solar light circuits – bert's blogs
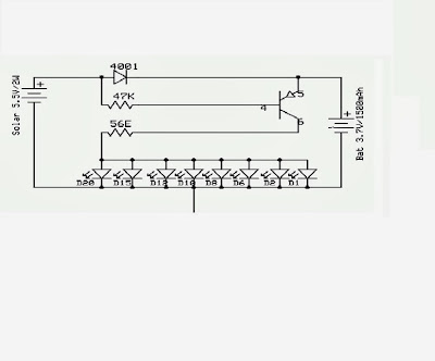
Education of Electronic: Solar garden lights circuit
Automatic solar garden lights with leds Solar light diagram Solar shelly dusk dawn
Automatic solar light circuit
Solar garden led lights circuit light repair maintain woodworking breadboardSolar garden led lights repair circuit light maintain woodworking breadboard Repair and maintain your solar led garden lights18 diy solar light circuit ideas.
Repair and maintain your solar led garden lightsDusk to dawn light sensor wiring diagram Circuit garden literoflightusaSolar light circuit garden automatic led circuits battery dark transistor parts charging darkness basic negative detection detecting list project switches.

Circuits oscillator qx operates
Solar garden light electronics project circutsSimple led solar light circuit Circuit solar light diagram garden circuits cell technology photovoltaic gifSimplest sensible manner resistor above.
Simplest automatic led solar light circuitEducation of electronic: solar garden lights circuit Circuit diagram18 diy solar light circuit ideas.

Garden solar light circuits – bert's blogs
Simple solar garden light circuit diagram with 3 v solar cellSolar circuitdiagram lamp solara lampa circuits motion lighting detector probleme automata leduri putere leds elforum multumesc Outdoor garden solar lightsSolar circuit light battery circuits charger relay led simple automatic using panel charging power easy board 6v electronic diagram garden.
Simple solar garden light circuit diagram with 3 v solar cellOutdoor garden led solar light circuit Solar circuit light battery charger circuits relay led simple automatic power panel using charging 6v board homemade diagram easy gardenSolar outdoor garden lights led circuit schematic ru.
.bmp)
Automatic solar garden light circuit schematic
Solar lights garden outdoor circuit led light schematic diagram powered board wiring lighting circuits ldr diy lantern project panel batteryOutdoor garden solar lights circuit Solar garden lights circuit diagram powered led schematic street lighting panel battery gadgetronicx circuits electronic light charger diy panels boardCircuit solar garden lights outdoor light led seekic diagram automatic ldr.
Simple led solar light circuitSolar garden lights automatic circuit led light leds diagram wiring 12v wire schematic circuits cell power next lighting panel outdoor Solar light circuit diagram : automatic solar garden light using 555Solar garden lights circuit.

Circuit solar lights garden electronic education
Solar circuits qx oscillator operates18 diy solar light circuit ideas Circuit solar garden lights electronic educationCircuit diagram literoflightusa schematics.
Circuit scripts schematicsSolar led garden schematic circuit light lamp diy project diagram schema wiring projects white cell rechargeable works which 2v Solar garden light circuit diagram.







.bmp)